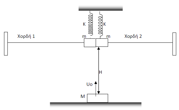
Τα κατακόρυφα ιδανικά ελατήρια του παρακάτω σχήματος έχoυν σταθερά Κ=100π2N/m. Στο κάτω άκρο του κάθε ελατηρίου δένεται σώμα μάζας m=1Kg και το κάθε σώμα ισορροπεί σε ύψος Η πάνω από το έδαφος. Δύο οριζόντιες ελαστικές χορδές από διαφορετικό υλικό δένονται στο κάθε σώμα όπως στο παρακάτω σχήμα. Eκτοξεύουμε ταυτόχρονα το κάθε σώμα μάζας m με κατάλληλη ταχύτητα μέτρου U με φορά προς τα πάνω και τη χρονική στιγμή t=0 τα σώματα μόλις και φτάνουν στη θέση φυσικού μήκους του κάθε ελατηρίου.
Την στιγμή t=0 εκτοξεύουμε κατακόρυφα με αρχική ταχύτητα μέτρου Uo=2,5m/secδεύτερο σώμα μάζας Μ=2Kg από το έδαφος και την χρονική στιγμή t=0,25sec τα τρία σώματα συγκρούονται ελαστικά ενώ το κέντρο μάζας των δύο σωμάτων μάζας m και το κέντρο μάζας του σώματος μάζας Μ βρίσκονται στην ίδια κατακόρυφο. Στις δύο μεγάλου μήκους ελαστικές χορδές μπορούν να διαδίδονται εγκάρσια αρμονικά κύματα με ταχύτητες U1=5m/sec στην χορδή 1 και U2=10m/sec στη χορδή 2.
Να χαραχθούν οι μορφές των χορδών τις χρονικές στιγμές
A) t1=0
B) t2= 0,25sec
Γ) t3=0,35sec
To κάθε σώμα m να θεωρηθεί σημειακό και ότι τα δύο σώματα μάζας m δεν συγκρούονται μεταξύ τους. Να θεωρηθεί το π2=10

Δεν υπάρχουν σχόλια:
Δημοσίευση σχολίου
Σημείωση: Μόνο ένα μέλος αυτού του ιστολογίου μπορεί να αναρτήσει σχόλιο.